
Features
This exceptionally fine vacuum tube voltmeter will rapidly and conveniently measure AC volts (RMS), AC volts (peak-to-peak), DC volts, resistance, and db. One switch controls the function selection, while the other determines the range to be used. Convenient front panel zero adjust and ohms adjust controls. Zero center operation within the range of front panel controls. A low voltage scale on the V-7A provides well over 2¼" of scale length per volt measured.
High input impedance in a vacuum tube voltmeter is valuable in that the loading effect of the instrument is negligible, and the circuit under test is not disturbed nor "loaded" by the test instrument. This, along with the other advantages of a vacuum tube voltmeter, and especially of the Heathkit V-7A, were formerly reserved for laboratories because of price. Since the introduction of the brilliant Heathkit VTVM, however, these advantages have been made available to all. It is especially valuable in all electronic applications. Use it to measure all operating voltages and potentials such as B+ voltage in AC-DC, or straight AC power supplies; filament voltage; bias voltage; AVC voltage; line voltage, etc. Ideal for measurements in all types of AM, FM and TV circuits. To check discriminator or detector operation—AVC or AGC performance—use the ohmmeter to measure circuit continuity, circuit resistances, to test out individual components with resistance measurements, or to trace out circuit wiring through cables or chassis openings. The perfect all-around instrument for either laboratory or service shop activities. Functional in design and convenient to use, the time-proven vacuum tube voltmeter is the world's largest selling instrument of its type and has rapidly become the accepted standard in the industry. You can enjoy the outstanding performance of a Heathkit VTVM as thousands of others have done!
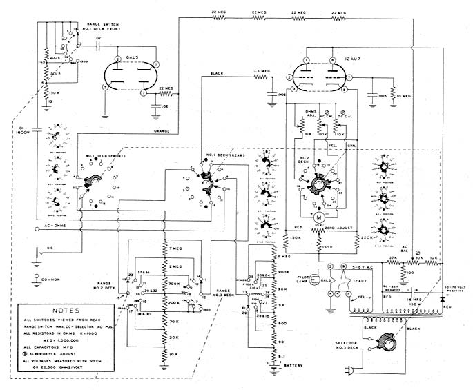
Adapted for printed circuit board operation, the model V-7A is now better than ever. Gradual modification of our time-proven VTVM circuit over the years has resulted in a trouble-free "polished" circuit which can be depended upon for maximum accuracy and stability. A 6AL5 tube operated as a full wave AC input rectifier permits 7 peak-to-peak voltage ranges with upper limits to 4,000 volts. Just the ticket for TV servicemen. A voltage divider in the 6AL5 input circuits limits applied AC input to a safe level. This circuitry, and isolation of the meter in the cathode of the 12AU7 bridge circuit, affords a high degree of protection for the sensitive 200 microampere meter.
Extensive operational coverage is afforded by 7 AC (RMS) and DC voltages of 1.5, 5, 15, 50, 150, 500, 1500, 7 peak-to-peak AC voltage ranges of 4, 14, 40, 140, 400, 1400, 4000, 7 ohmmeter ranges of x 1, x 10, x 100, x 1000, x 10 k, x 100 k, x 1 megohm, and a zero-center db scale. Separate AC and DC test leads and probes are provided for circuit efficiency, and polarity reversing switch is employed for DC operation.
Most of the V-7A circuit is etched in copper foil and bonded to high-grade rigid 3/32" XXXP phenolic sheet. This board provides the circuit, and the components are mounted and soldered to it.
The range switch of this instrument is especially designed for this specific application. Resistors fit conveniently between decks, and no unused or blank terminals exist to confuse the kit builder. Note that precision resistors are used in multiplier circuits.


A high quality precision meter is employed in the VTVM. It is imprinted with two-color blank and red calibrations on a white background. This makes for quick identification of ranges and maximum legibility.
Time-proven etched metal circuit boards are employed in the V-7A. These not only simplify assembly and cut construction time in half, but the permit levels of circuit stability not possible with ordinary conventional wiring methods.

Assembly time is virtually cut in half while assurance is provided that the V-7A you build will be an exact replica of our laboratory model. Simplified assembly and constant circuit performance are important features for your consideration.
In addition, this rugged unit provides firm mounting of components, good, low resistance conductor paths, and allows individual standard components to be removed and replaced with new ones should this become necessary.
A transformer-type power supply is used for the line-operated model V-7A, with good filtering for improved circuit performance. The meter is sealed against dust, and is a 4½", highly readable, 200 microampere unit. Bracket construction behind the panel protects the circuit parts and allows the VTVM to be placed in any position without parts damage while construction is in progress. A self-enclosed battery for the ohmmeter potion of the circuit firs neatly into the space behind the panel./
Featuring high, 11 megohm input impedance, the model V-7A is attractive in appearance also, with the charcoal gray, drawn aluminum panel and high definition white lettering for good readability. The pilot lamp is recessed behind the panel and shines through the edge of the plastic meter case for a very smart appearance.
All components used in the V-7A VTVM are of standard, first-line quality. The multiplier circuits use deposited-carbon type 1% precision resistors instead of following the usual practice of supplying matched pairs of ordinary carbon resistors. Switches have been especially designed for this particular instrument, and represent every possible consideration from the standpoint of simplified wiring and ease of assembly. Standard brand, commercially available tubes, tube sockets, condensers, controls, etc., are employed to minimize service problems in the event component replacements be required.
The construction manual supplied with the model V-7A VTVM sets a new standard in the instruction material. In this manual we provide detailed step-by-step checkoff assembly procedure for the complete operation of constructing the VTVM. In addition, numerous schematic, pictorial diagrams and illustrations are used to insure trouble-free construction. Besides outlining instrument assembly, the manual describes the theory of instrument operation and actual application in measurement work. For further convenience, large scale pictorials are provided which can be fastened to the area above your work bench for quick reference.
The Heath Company is justifiably proud of the fact that the VTVM manual is in demand for instruction work in various educational programs and has set a new pattern level for the entire kit industry. This kit is complete in every respect--even to the inclusion of test leads and battery.
Specifications—Electronic D.C. Voltmeter: 7 Ranges: 0-1.5, 5, 15, 50, 150, 500, and 1500 volts full scale, with accessory probe to 30,000 volts. Input Resistance: 11 megohms (1 megohm in probe). On all ranges, 1,100 megohms with accessory probe. Sensitivity: 7,333,333 ohms per volt on 1.5 volt range. Circuit: Balanced bridge (push-pull) using twin triode. Accuracy: ± 3% full scale. Electronic A.C. Voltmeter: 7 RMS Ranges: 0-1.5, 5, 15, 50, 150, 500, 1500 scales reading RMS (.707 of positive peak). Accuracy: ± 5% full scale. 7 Peak-to-Peak Ranges: 0-4, 14, 40, 140, 400, 1400, 4000. Electronic Ohmmeter: 7 Ranges: Scale with 10 ohms center x1, x10, x100, x1000, x10K, x100k, x1 meg. Measures .1 ohm to 1000 megohms with internal battery. Meter: 4½" 200ua movement, Polystyrene case. Multipliers: 1% precision type. Circuit Board: Printed circuit, etched metal process 3/32" XXXP laminated phenolic .00135 copper foil. Tubes: 1-12AU7, twin triode meter bridge. 1-6AL5, twin diode full wave AC rectifier. Battery: 1½ volt flashlight cell. Cabinet Size: 7 3/8" high x 4¾" wide x 4 1/8" deep. Charcoal gray panel, feather gray cabinet. Power Requirements: 105-125 volt, 50-60 cycle AC, 10 watts. Shipping Weight: 7 lbs.
Copyright ©2026 by Cyberventures Unlimited.Terms of Use