
Features
If you are looking for an "exceptional buy" in an oscilloscope for general purpose applications, look at the features offered by the OM-2!
This fine scope features wide vertical amplifier frequency response, extended sweep generator operation, and improved stability. The frequency response of the vertical amplifier has been extended to within ± 3 db from 4 cps to 1.2 mc, or ± 6 db, from 3 cps to 2 mc. Vertical sensitivity is .09 VRMS per inch at 1 kc. The improved sweep generator functions reliably from 20 cps to over 150 kc.
Modern etched circuit boards are featured in critical parts of the oscilloscope circuit. They not only permit a level of high stability but also reduce assembly time considerably. Standard components are mounted on these boards with each position clearly marked preventing wiring errors. Both vertical and horizontal amplifiers are push-pull types.

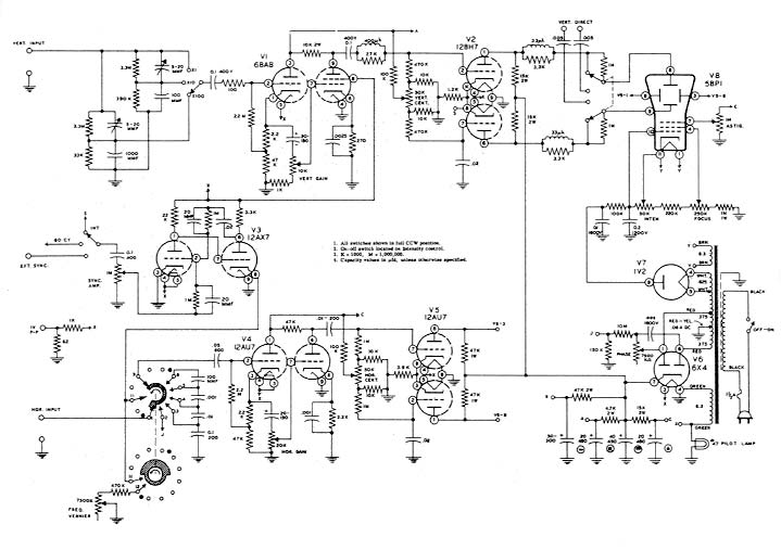
OM-2 Schematic Diagram
This scope features a 5BP1 CRT, with provisions for external or internal sweep and sync, a built-in IV peak-to-peak reference voltage for calibration purposes, and a calibrated grid screen. The input to the vertical amplifier is through a three position step-attenuated, frequency compensated circuit, allowing control of signal levels applied to the amplifier. An adjustable astigmatism (spot shape) control is provided to insure a sharp trace.
This scope is excellent for servicing, for use in the ham shack, or for routine laboratory work. It is especially valuable for students or hobbyists. Designed to provide maximum performance at a minimum price, the model OM-2 fulfills the need for a high-quality general purpose instrument.
Specifications—Vertical: Rise Time: 0.25 microseconds. Frequency Response: ± 3 DB 4 cps to 1.2 megacycles; ± 6 DB 3 cps to 2 megacycles. Sensitivity: 0.09 RMS volts per inch at 1 kc. Input Impedance: 35 uufd shunting 1.5 megohms at X1; 25 uufd shunting 1.5 megohms at X10 and X100. Horizontal: Frequency Response: ± 3 DB 2 cps to 425 kc.; ± 6 DB 1 cps to 650 kc. Sensitivity: 0.275 RMS volts per inch at 1 kc. Input impedance: 25 uufd shunting 10 megohms Sweep Generator: Multivibrator 20 cps to over 150 kc. Tube Complement: 1-5BP1 cathode ray tube, 1-12AU7 horizontal cathode follower and amplifier, 1-12AU7 horizontal deflection amplifier, 1-12BH7 vertical deflection amplifier, 1-6BA6 vertical cathode follower and amplifier, 1-12AX7 sweep multivibrator, 1-6X4 low voltage rectifier, 1-1V2 high voltage rectifier. Power Requirements: 105-125 V, 50-60 cycles AC at 65 watts. Dimensions: 8 5/8" wide x 14 1/8" high x 18" deep. Shipping Weight: 22 lbs.
Copyright ©2026 by Cyberventures Unlimited.Terms of Use