
Features
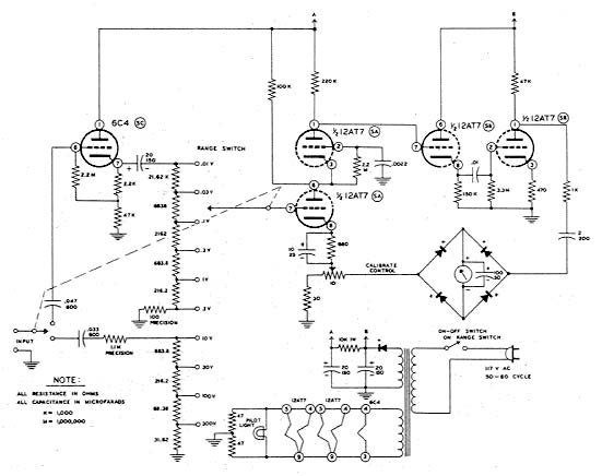
The model AV-3 AC Vacuum Tube Voltmeter was designed especially for audio measurements, and for use in making low-level AC measurements in power supply filters, etc. This voltmeter emphasizes stability, broad frequency response, and sensitivity. It employs a tried and proven circuit featuring a cascode amplifier with cathode-follower isolation between the input and the amplifier, and between the output stage and the preceding stages. An extremely stable circuit with high input impedance (1 megohm at 1000 CPS). The frequency response of the model AV-3 is essentially flat from 10 CPS to 400 kc. and is usable for tests well beyond these frequency limits.

AV-3 Schematic Diagram
Features large, easy-to-read 4½" 200 ua meter. Increased damping in the meter circuit stabilizes the meter for low frequency tests. Nylon insulating bushings at the input terminals reduce leakage and permit the use of the convenient five-way Heath binding post. The extremely wide voltage range covered by the AV-3 makes it especially valuable not only in high fidelity service, but also in experimental laboratories.
AC (RMS) voltage ranges are 0.01, .03, .1, .3, 1, 3, 10, 30, 100 and 300 volts. Db ranges cover -52 db to +52 db. 1% precision resistors are used for maximum accuracy. The neat, compact circuit layout assures easy of assembly. The AV-3 is most attractive in appearance and is a pleasure to use with stable reliable performance in all applications.
Specifications—Frequency Response: ± 1 db 10 CPS to 400 kc. Sensitivity: 10 millivolts full scale (lowest range). Range: volts: 0.01, 0.03, 0.1, 0.3, 1, 3, 10, 30, 100, 300 volts RMS, full scale; decibels total range: -52 db to +52 db, scale -12 to +2 db (1 mw—600 ohm); ten switch selected ranges from -40 to +50 db. Input Impedance: 1 megohm at 1 kc. Accuracy: within 5% of full scale. Multipliers: 1% precision type. Meter: 4½" streamlined case with 200 microampere movement. Tube Complement: 2-12AT7, 1-6C4. Power Supply: Selenium rectifier with resistance-capacitance filter. Power Requirements: 105-125 V, 50-60 cycles AC, 10 watts. Dimensions: 7 3/8" high x 4 11/16" wide x 4¼" deep. Shipping Weight: 5 lbs.
Copyright ©2026 by Cyberventures Unlimited.Terms of Use